スイッチング電源とは 仕組みと選び方の完全ガイド
スイッチング電源の基礎知識から仕組み、選定ポイント、24V・12Vの応用例やノイズ対策まで網羅的に解説。初心者~中級エンジニアが知りたい情報が満載です。当社ユニファイブの製品紹介やサポート体制もご覧ください。
目次
スイッチング電源とは?基本仕組みと活用のポイントをわかりやすく解説
電気・電子機器の設計技術者やエンジニアにとって、スイッチング電源は高効率・小型化・低コスト化を実現するうえで欠かせない存在です。本記事では、スイッチング電源の基本的な仕組みや動作原理、アプリケーション別の選び方、そしてノイズ対策や安全規格など、押さえておきたいポイントを総合的に解説します。新人~中堅のエンジニアや、電源設計が初めての方も分かりやすいようにまとめましたので、ぜひ最後までご覧ください。
スイッチング電源の歴史
スイッチング電源の歴史は、今からさかのぼる事1800年代より始まっています。
世界で最初のスイッチング電源を開発したのは、1958年にIBMという説もあるようです。当時IBM社によって設計されたスイッチング電源は真空管技術に基づくものであったようです。GM社からは同時期に、同様の特許が、トランジスタの発振として申請されており、この技術革新によって、機器設計者の選択肢が劇的に広がったと言われています。1960年代というと、宇宙分野、通信分野、から、エレクトロニクス、コンピュータ分野まで全体的に非常に盛んな時代です。
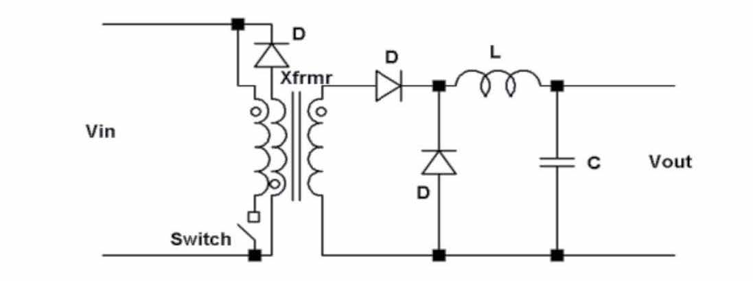
スイッチング電源の仕組みと動作原理
*スイチング電源の基本ブロック線図例
|
|
スイッチング電源とは、入力側の交流(AC)を整流して直流(DC)に変換し、その後高周波スイッチング素子(MOSFETなど)を高速でオン・オフすることで電圧を制御する電力変換器です。リニア電源と比較して、以下の点が大きな特徴です。
- 効率が高い:スイッチング動作によって必要な電力だけを供給するため、リップルや発熱が抑えられ、効率的に動作します。
- サイズの小型化:高周波でのスイッチングにより、トランスフィルタ部品を小型化でき、基板の省スペース化が可能です。
- 広い入力電圧対応:制御回路次第で、100V系から200V系まで柔軟に対応できる製品も多いです。

動作原理は大まかに、AC入力→整流回路→高周波スイッチング回路(PWM制御など)→絶縁トランス(必要に応じて)→整流・平滑→出力 というフローで進みます。制御回路では**PWM(パルス幅変調)**により出力電圧や電流を一定に保ち、過電圧・過電流を防止する保護機能を備えたものも多数存在します。
リニア電源との違いと選び方のポイント
スイッチング電源とよく比較されるのがリニア電源(シリーズレギュレータ)です。リニア電源はトランジスタやレギュレータICで電圧を降圧する仕組みのため、高周波ノイズは少なく設計が簡単ですが、以下のデメリットがあります。
| 項目 | スイッチング電源 | リニア電源 |
|---|---|---|
| 変換方式 | 高周波スイッチング | トランジスタ等で連続制御 |
| 効率 | 高い(80%~95%など) | 低め(50%~70%など) |
| 発熱 | 少ない | 大きい |
| サイズ・重量 | 小型・軽量 | 大型・重い |
| ノイズ(高周波) | 大きい | 小さい |
*スイッチング電源とリニア電源の比較表
一方、スイッチング電源はノイズ対策が必要になる場合がありますが、小型・軽量化と高効率を同時に実現できるのが魅力です。
選定の際は以下のポイントをチェックしましょう。
- 出力電圧・出力電流の範囲
- 入力電圧(AC/DC)の範囲
- 効率・発熱量・冷却方式
- ノイズ特性
- 保護機能(過電圧保護・過電流保護など)
- サイズ・重量・価格
なぜスイッチング電源が効率的なのか
スイッチング電源が高効率なのは、スイッチング素子がオンかオフのどちらかで動作し、中間電圧で動作する時間が極めて短いためです。リニア電源のように連続的に損失が発生しないため、発熱が少なく省エネルギーに寄与します。
また、負荷の変動に合わせてスイッチング周波数やパルス幅を制御することで、スタンバイ時や軽負荷時でも効率を落としすぎずに電力を供給できる点も大きな利点です。
スイッチング電源の回路方式の種類
昇降圧型(バックブーストコンバータ)回路

昇降圧型の絶縁方式は非絶縁型で、昇降圧が可能なタイプの回路方式です。入力電圧と極性が反対した出力電圧を得るために用いられる回路でスイッチがオンの時、インダクタにエネルギーが流れ、スイッチがオフの時には、インダクタからダイオードを通してエネルギーが放出されます。降圧型と比べると、コンデンサ(出力のフィルタ用)に大きな電流が通電されます。
降圧型方式(バックコンバータ)回路

降圧型方式の入出力絶縁は、トランスを回路に使用してないので非絶縁型です。バックコンバータは入力電圧が出力電圧よりも低い時に用いられ、入力電圧にスイッチがオンの時の時間比率を乗じることにより、出力電圧が抑えられます。ステップダウン方式(降圧型チョッパー方式)とも呼ばれ、とは入力から出力まで電圧を降圧させるDC-DCコンバータに採用される一般的な回路方式です。スイッチ素子がオンの時には、インダクタ・コイルにエネルギーを貯蓄しながら送り出し、スイッチがオフの時には、インダクタからダイオードやMOSFETなどのスイッチ素子を通じてエネルギーを放出します。回路構成が比較的簡単であるので、コストも比較的低いのがメリットです。
昇圧型方式(ブーストコンバーター)回路

昇圧型方式の回路は、チョッパ方式極性反対型とも呼ばれ、入力電圧より高い出力電圧が欲しい時に利用され、MOSFETなどのスイッチング素子がオンの時、インダクタにてエネルギーを溜めて、オフの時はインダクタからダイオードを通して負荷にエネルギーが放たれます。コイルに溜まったエネルギーに入力電圧のエネルギーが加えられるので、入力よりも高出力電圧となります。
プッシュプル方式

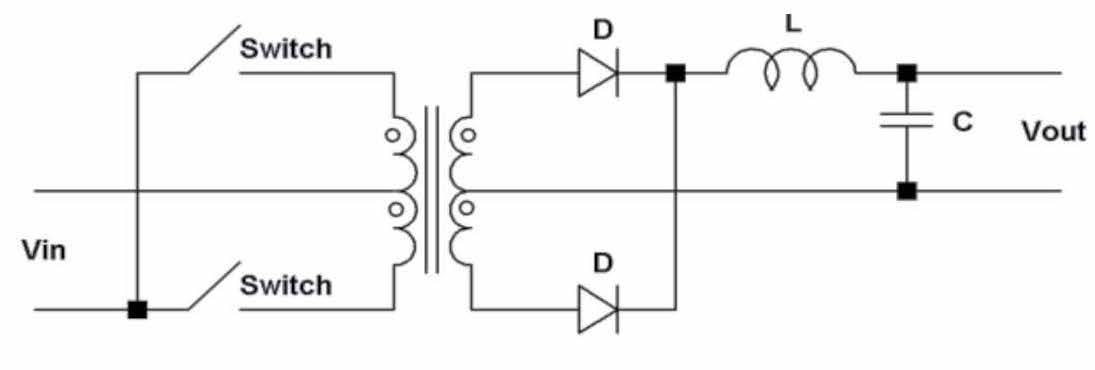
プッシュプル型コンバータを例にあげると、基本スイッチアーム数が多石式のコンバータで、トランスの一次側のコイル(等しい巻き数のもの)を二つ直列に繋げ、中間点を電源のプラス側へ、両端をそれぞれのローサイドスイッチを挟み、マイナス側に繋げます。そして、これを交互にon/offすることにより、トランスのコアに、交流の磁界が生まれます。二次側の変換周波数が一次側の2倍になるので、フィルタの小型化が望めます。このプッシュプル型のコンバータには、電流型と電圧型の2種類があり、比較的容量の大きい電源に向いています。
フォワード方式
フォワード型コンバータを例にあげると、基本スイッチア

ーム数が一石式のon on型のコンバーターの一種のことで、主に数100W程度までの小容量の電源から、中容量の電源に用いられることが多いです。一次側のスイッチング素子がオンの期間に、介在させたトランスにて二次側に電力を通す方式です。トランスの巻線は一次、二次とも同じ極性でつながれています。トランスとチョークコイルの2つの部品を要しますが、高効率です。
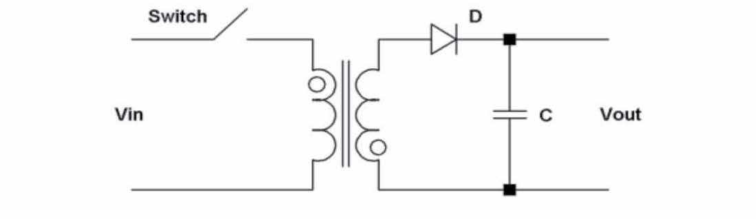
フライバック方式

フライバック型コンバータを例にあげると、基本スイッチアーム数が一石式のon off型のコンバーターの一種のことで、スイッチング素子がオンの時に、トランスの一次巻線に側にエネルギーが蓄えられ、スイッチング素子がオフの時に、この蓄積されたエネルギーが、トランスの二次巻線から、ダイオードを通り放出され、これを整流回路で整流、平滑回路で平滑することにより、DC電圧を生み出します。この特徴から、on/of型と呼ばれることもあります。トランスの設計がやや複雑になり、サイズが比較的大きく、コンデンサに大きい電流が流れます。チョークコイルを省略できる方式です。
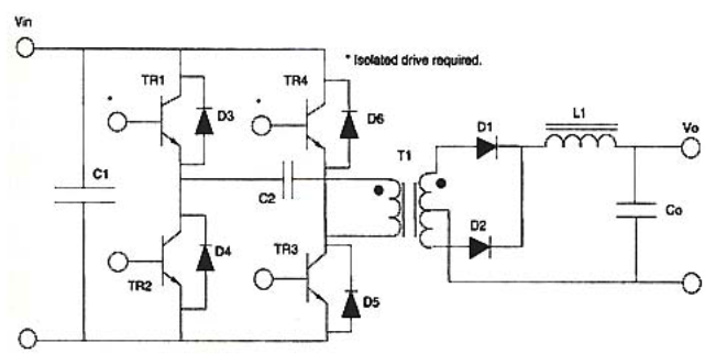
フルブリッジ方式

基本スイッチアーム数が多石式で、直列に繋いだスイッチング素子を直流入力に並列で繋げ、それぞれの中間点にトランスの巻線(一次)を配置し、スイッチング素子を交互にon/offさせる方式のことです。比較的大きな容量の電源に向いている方式と言われており、最近では計算機が大きな電流を必要とする傾向にあるため、計算機器向けPOLとしても使われています。
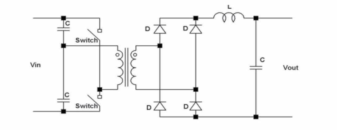
ハーフブリッジ方式

ハーフブリッジ方式とは、直流の入力をコンデンサー二つで分圧して、2個のスイッチング素子を直列し、コンデンサーへ並列で繋げ、これらのスイッチング素子、コンデンサーの中間点にトランスを配置した変換方式のことです。トランスの効率が高く、高い入力電圧に優れた回路方式です。
上記のうち、降圧型方式(バックコンバータ)回路、昇圧型方式(ブーストコンバーター)回路、昇降圧型(バックブーストコンバータ)回路が非絶縁型となり、フォワード方式、フライバック方式、プッシュプル方式、ハーフブリッジ方式、フルブリッジ方式が絶縁型となります。絶縁型のスイッチング電源の回路方式は、他にもロイヤー方式、ジェンセン方式というものがあります。
24Vスイッチング電源の特長と応用

24V電源のメリットと対応アプリケーション
24Vスイッチング電源は、産業機器やFA(ファクトリーオートメーション)設備、工作機械などで最もよく利用される電圧の一つです。以下のメリットがあります。
- 安全性:高電圧よりも扱いやすく、DC24Vは規格的にも比較的安全な電圧範囲。
- 標準化:24V対応のセンサーやリレー、アクチュエータが充実しているため、システム設計が容易。
- 拡張性:5V、12Vなどの他電圧との組み合わせもしやすく、24V 5V 2出力などの製品も存在。
産業機器における24Vスイッチング電源の利点
産業機器では、長時間連続運転や高負荷条件での安定供給が求められます。スイッチング電源 24Vは高効率に加え、以下のような利点を持っています。
- 放熱設計が容易:高効率化により放熱にかかるコストやスペースを抑えられる。
- 拡張・並列接続が可能:必要に応じてユニットを並列接続することで出力電流を増やしたり、冗長化設計に対応できる。
- カスタマイズ性:基板タイプやDINレール取り付けタイプなど、環境に合わせた多様な形態が選べる。
信頼性と安全性を高める技術
絶縁設計や過電圧保護・過電流保護はもちろん、温度センサを使ったファンレス冷却設計、ノイズフィルター強化など、産業機器向けのスイッチング電源には信頼性と安全性を向上させるための技術が投入されています。最近では、**PFC(力率改善回路)**や高力率対応の製品も多く、国際規格(ULやENなど)に適合した機器選定が重要です。
12Vスイッチング電源の選び方とスペック確認ポイント

12Vスイッチング電源の用途と選択基準
12Vスイッチング電源は、LED照明、車載機器、通信機器など、幅広い分野で利用されます。選択基準としては以下の点が挙げられます。
- 定格出力電力(W数):必要な負荷に対して十分な電力を供給できるか。
- 効率と発熱:密閉ケースや小型筐体での放熱を考慮し、効率の高い製品を選ぶ。
- 安全規格:ULやENなどの規格認証を確認し、必要に応じて医療・産業規格にも対応しているかを確認する。
入力電圧や出力電流の確認方法
スイッチング電源を導入する際は、入力電圧の範囲(AC100-240Vなど)と、実際に使用する負荷電流の最大値を確認します。
例えば、スイッチング電源 12vで最大2Aを供給する場合、24W程度の定格容量が必要です。さらにスタートアップ時のインラッシュ電流や、負荷変動による電流のピークなども考慮して余裕をもった選定を行いましょう。
スイッチング電源で実現する小型軽量化と省エネルギー
スイッチング技術による効率向上の仕組み
スイッチング電源は、スイッチング素子のオン・オフを高速化することで損失を最小限に抑えます。これにより小型トランスの使用が可能になり、全体として小型軽量化が実現できます。さらに、制御回路が優れているほど、スタンバイ時や部分負荷時でも効率的に動作するため、省エネルギーに大きく貢献します。
コンパクトな形状とその需要
パソコンや医療機器など、装置内蔵型の電源には特にコンパクト形状が求められます。基板実装タイプや外付けACアダプターなど、設置スペースや放熱設計の都合に合わせた製品選びが重要です。近年、携帯性を重視した小型デバイスの増加に伴い、スイッチング電源 仕組みや「スイッチング電源 使い方」を理解した上で、より薄型・軽量の電源を選定する需要が高まっています。
省エネルギーがもたらす環境メリット
スイッチング電源の高効率は、結果としてCO₂排出量の削減にもつながります。また、ヒートシンクや冷却ファンの小型化により、使用資源の削減や製品寿命の延長にも貢献。こうした省エネルギー性は企業の環境への取り組みとしても評価され、国際規格や省エネ法の要件を満たす上でも非常に重要です。
スイッチング電源のノイズ問題と解決策
ノイズの原因と影響を理解しよう
スイッチング電源では、高速でのスイッチング動作によるノイズが生じやすく、周辺回路や外部機器に干渉を与える場合があります。主な原因としてはスイッチング周波数に伴う漏洩電磁波や、整流時の急峻な電流変動が挙げられます。オーディオ機器などでは、スイッチング電源 オーディオ特有の高周波ノイズが音質に悪影響を及ぼすこともあるため、十分な対策が求められます。
コンデンサやダイオードを使った対策
ノイズ軽減に有効な対策としては、以下のようなものがあります。
- コンデンサの適切配置:スイッチング素子やIC周辺にバイパスコンデンサを配置し、リップルや高周波ノイズを減衰。
- ダイオード選定:高速整流ダイオードやショットキーバリアダイオードを採用し、スイッチング電源 回路内の過剰なノイズを抑制。
- スナバ回路:トランスやスイッチング素子に発生するサージ電圧を吸収する回路を追加。
ノイズフィルターや回路設計の工夫
より高度なノイズ対策として、ノイズフィルターやシールドを適切に設計する手段があります。回路の最終段に追加でノイズフィルタを組み込む事例も珍しくありません。また、機器全体のアース設計や配線レイアウトを工夫し、グラウンドループの発生を防ぐことも重要です。
スイッチング電源の回路と整流方式の詳解
整流回路におけるダイオードとトランスの役割
スイッチング電源の前段(AC入力からDCへの変換)には、ブリッジ整流回路やPFC回路が採用されることが多いです。トランスは絶縁・電圧変換の役割を担い、ダイオードは高周波整流や保護回路に用いられます。特にAC/DC スイッチング電源では、トランスの巻線仕様とダイオードの選定が効率と耐久性を大きく左右します。
制御方式の違いと適応するアプリケーション
スイッチング電源にはPWM制御(Pulse Width Modulation)やPFM制御(Pulse Frequency Modulation)、その他共振型(ソフトスイッチング)など複数の方式があります。
- PWM制御:一般的な方式で、幅広いアプリケーションに対応。
- PFM制御:負荷変動が大きい場合に効率が期待できる。
- 共振型:ノイズを低減しながら高効率化を狙えるが、実装難度が高い。
用途やコスト、効率要件などに応じて最適な方式を選択し、スイッチング電源 回路図を設計することが肝要です。
AC/DC変換技術の進化と効率化
昨今のスイッチング電源は、SiC(シリコンカーバイド)やGaN(ガリウムナイトライド)などの新素材を用いた次世代半導体によりスイッチング周波数を高め、損失をさらに低減しているモデルも登場しております。これにより、小型・高効率・低ノイズの電源設計が可能になってきており、今後の技術進化にも要注目です。
スイッチング電源メーカーの選び方と当社のソリューション
ユニファイブの特徴
ユニファイブは、産業・通信・医療など幅広いアプリケーション向けの電源を提供しており、以下の特徴が挙げられます。
- 品質管理体制:ISOやUL、ENなどの国際的規格への対応。
- 実績とサポート:長年の実績、カスタム・セミカスタム対応、アフターフォローの徹底。
- 製品ラインナップの豊富さ:5V、12V、24V、48Vなど、多様な電圧と出力容量への対応が可能。
- 技術的優位性:低ノイズ設計、並列接続対応、リモートコントロール機能などの充実。
当社が提供する最適なソリューションの提案
当社では、標準電源の他にも、ユーザー様の要件に合わせて最適なスイッチング電源を選定・提案いたします。以下のようなサポートも実施していますので、ぜひご相談ください。
- 製品選定支援:アプリケーションの要件に合う製品ラインナップのご紹介。
- 技術的カスタマイズ:特殊電圧への対応やノイズ対策部品の追加など。
- 小ロット対応:小ロットからのセミカスタム対応など。
まとめ
本記事では、スイッチング電源の基本仕組みや動作原理、リニア電源との違い、24V・12Vなどの各種電圧における特徴、ノイズ対策や安全規格など、選定・設計に役立つポイントを幅広く解説しました。スイッチング電源は効率・小型化・省エネの面でメリットが大きく、現代の電子機器に欠かせない存在です。一方でノイズ対策や保護回路の設計など、押さえるべき技術要点も多いため、正しい知識と適切なメーカー・製品選定が必要になります。
当社ユニファイブでは、信頼性の高いスイッチング電源を多数取り揃えており、技術的なご相談やカスタマイズ対応にも柔軟に対応いたします。 実際の選定や導入にあたってご不明な点がありましたら、ぜひ下記のボタンからお気軽にお問い合わせください。
各種サンプルの受付を随時行っておりますので、併せてご検討いただければ幸いです。
