ACアダプターの選び方|電源メーカーが解説する失敗しない8ステップ
ACアダプターの選び方を、創業35年・自社で設計・製造する電源メーカーが解説。故障・過熱・接触不良など選定ミス事例をもとに、失敗しない8ステップをチェックリストで整理。
目次

ACアダプターとは?(基礎知識)
ACアダプターとは、コンセントから供給される交流(AC)を、電子機器が必要とする直流(DC)に変換する外部電源装置です。「充電器」や「ACアダプタ」「パワーサプライ」と呼ばれることもありますが、正式にはAC/DCスイッチング電源の一種にあたります。
現在主流のスイッチング方式は、かつてのトランス(リニア)方式と比べて小型・軽量で変換効率が高く、AC100V〜240Vのユニバーサル入力にも対応できるため、世界中の商用電源で使用可能です。
ACアダプターを使う最大のメリットは、電源回路を機器本体から分離できる点にあります。これにより、機器本体の小型・軽量化、発熱源の分離による信頼性向上、電源部のみの交換によるメンテナンス性向上が実現できます。
選び方を間違えるとどうなる? ─ 失敗事例とリスク
ACアダプターは産業機器や医療機器でも使用されるケースが増えており、システム全体の安全性と稼働率を左右する重要な部品です。当社が35年にわたり電源の設計・製造に携わるなかで、選定ミスに起因するトラブル相談を数多く受けてきました。代表的な失敗パターンをご紹介します。
出力電圧の不一致による故障
機器が求める電圧より低いACアダプターを使用すると、機器が正常に動作しない、または動作しても不安定になるケースがあります。逆に電圧が高すぎると、機器内部のICや素子が定格を超えて破損する危険があります。実際に、海外製の機器に電圧の合わないアダプターを接続し、基板が焼損したという相談は少なくありません。
電流容量不足による過熱
ACアダプターの定格電流が機器の消費電流ギリギリの状態で連続使用すると、電源内部の電解コンデンサへの負荷が増大し、異常発熱を起こす可能性があります。最悪の場合は発煙に至ることもあり、当社ではディレーティング(余裕を持った使用)を強く推奨しています。
プラグ形状・極性の不一致
DCプラグの外径・内径が僅かに異なるだけで接触不良を引き起こし、電力供給が不安定になります。また、極性(センタープラス/マイナス)を逆に接続すると、機器側の部品が焼損する事故につながります。
安全規格の不適合による法的リスク
日本国内ではPSEマーク、海外ではULやCE等、各国の安全規格への適合が法律で義務付けられています。規格不適合のACアダプターを使用した場合、製品の販売停止や回収に発展するリスクがあります。当社では実際に、PSE不適合の輸入アダプターを3週間で適合品にリプレースした事例もあります。
失敗しないACアダプターの選び方 8つのステップ
ここからが本記事の核心です。ACアダプターを正しく選定するための手順を、当社の設計チームが実際の回路設計と顧客サポートで培った知見をもとに、8つのステップで解説します。
まず機器側の定格入力電圧を確認し、それと同じ出力電圧のACアダプターを選びます。機器のラベルや仕様書に「DC ○○V」と記載されている値がこれにあたります。
出力電圧は原則として機器の定格と完全に一致させてください。一般的に±5%以内であれば動作するケースもありますが、当社としては一致を推奨します。特に精密機器や医療機器では、わずかな電圧差が動作精度や安全性に影響する可能性があります。
機器の定格消費電流以上の出力電流を持つACアダプターを選びます。電流が不足すると、機器が動作しない、または動作が不安定になります。
ACアダプターの定格電流は「供給できる最大電流」であり、機器は必要な分だけを引き込みます。そのため定格電流が大きいアダプターを使用しても、機器に悪影響を与えることはありません。
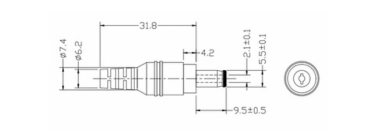
DCプラグ(出力コネクタ)は統一規格ではないため、外径・内径・プラグ長の3つの寸法を必ず確認してください。

| 記号 | 寸法 | 説明 |
|---|---|---|
| A | 内径 | プラグ中心のピン径(例:2.1mm、2.5mm) |
| B | 外径 | プラグ外側の筒径(例:5.5mm、3.5mm) |
| C | プラグ長 | ジャックに挿入される部分の長さ(例:9.5mm) |

例えば外径5.5mm×内径2.1mmと外径5.5mm×内径2.5mmでは、物理的に挿入できてしまうものの接触不良を起こし、電力供給が不安定になります。
極性の確認も不可欠です。DCプラグにはセンタープラス(中心がプラス)とセンターマイナス(中心がマイナス)の2種類があり、機器側と極性が逆のアダプターを接続すると、部品の焼損や故障の原因となります。機器本体やACアダプターに記載されている極性マーク(◎にプラス/マイナスが示された記号)を必ず照合してください。
機器やACアダプターには、以下のような極性マークが表示されています。接続前に必ず照合してください。

最も一般的な極性です。

一部の機器で採用されています。

日本にはJEITA規格 RC-5320A(通称EIAJ規格)があり、DCプラグの寸法や使用電圧範囲が定められています。この規格に該当するプラグではひし形の極性表示を使用するのが通例です。
一方、EIAJ規格に該当しないプラグ(独自寸法や規格外の電圧範囲のもの)では丸形の極性表示を使用します。当社ではこの使い分けを厳格に守り、EIAJ規格外の製品にはひし形表示を使用しないようにしています。
EIAJ(現JEITA)による極性統一プラグも存在しますが、メーカー独自のコネクタを採用しているケースも多いため、現物での確認が最も確実です。
DCプラグの詳しい解説は「DCプラグとは?」をご覧ください。
見落とされがちですが、モーター駆動を採用している機器では非常に重要なポイントです。歯科用機器、プリンター、ミシン、電動シェーバー、マッサージ機器などのモーター搭載機器は、起動時に定格の数倍のピーク電流が発生します。
通常の定格電流だけを基準にACアダプターを選定すると、起動時に電流不足で動作しない、またはアダプター側の過電流保護が動作して出力が遮断される、という問題が起こります。
ACアダプターは、組み合わせて使用する機器の種類と販売仕向地によって、適合すべき安全規格が決まります。代表的な規格と用途の対応を以下にまとめます。
用途別の主な安全規格
| 用途 | アプリケーション例 | 要求安全規格 |
|---|---|---|
| ICT・情報通信機器 | ルータ、基地局監視装置、PTP装置 | IEC/EN/UL 62368-1 |
| オーディオ・映像機器 | スイッチャー、ミキサー、小型アンプ | IEC/EN/UL 62368-1 |
| セキュリティ機器 | 入退室管理、監視カメラ、防犯センサ | IEC/EN/UL 62368-1 |
| 医療機器 | 患者監視装置、医用ディスプレイ、検査・診断装置 | IEC/EN 60601-1、ANSI/AAMI ES60601-1 |
| 家電・一般機器 | 各種家電製品 | 電気用品安全法(PSEマーク) |
仕向地別の主な安全規格
日本はPSE、北米はUL/cUL、欧州はCEマーク(EU指令)、中国はCCC、韓国はKC、オーストラリア・ニュージーランドはRCMなど、国・地域ごとに異なる安全規格への適合が必要です。グローバル展開を見据える場合は、CBスキーム(CBマーク)を取得したACアダプターを選ぶことで、各国の認証取得を効率化できます。
エネルギー効率規制
安全規格に加え、エネルギー効率規制への対応も必須です。米国DOE Level VI、EU ErP Lot7(2025年4月より基準厳格化)、FCCなどの効率基準に適合しているか確認してください。
ユニファイブの安全規格対応製品一覧はこちらからご確認いただけます。
電気・電子機器はEMC(電磁両立性)規格に適合することが必要です。ACアダプター選定時には、単体でEMCの国際規格IEC 61000シリーズの要求を満たしていることを確認してください。
ここで重要なのは、ACアダプター単体でEMI(電磁妨害)の要求をクリアしていても、実際の機器に接続した状態ではノイズ基準を満たせない場合がある、という点です。出力ケーブルがノイズ源の近くに配置されたり、ケーブルが長すぎたりすると、電磁ノイズを拾ってしまいます。最終的には、お客様の装置全体でEMC要件を満たしているか確認が必要です。
特に音響機器やオーディオ機器など、ノイズに敏感な用途では、低リップルノイズ設計のACアダプターが求められます。当社のリップルノイズ対策についてはこちらで詳しく解説しています。
ACアダプターには、異常時にも発煙・発火に至らないよう保護機能が搭載されていることが重要です。主な保護回路は以下の4種類です。
| 保護回路 | 機能 |
|---|---|
| 過電圧保護(OVP) | 出力電圧が定格を超えた場合に出力を停止し、機器側のICや部品を保護 |
| 過電流保護(OCP) | 出力電流が定格を超えた場合に出力を制限または停止 |
| 短絡保護(SCP) | 出力が短絡(ショート)された場合に出力を遮断し、事故を防止 |
| 過熱保護(OTP) | 内部温度が異常に上昇した場合に出力を停止し、部品の熱破壊を防止 |
また、保護動作後の復帰方式にも注目してください。ラッチモードは、異常原因を取り除いた後に電源の再投入(AC入力のOFF→ON)で復帰します。自動復帰モードは、異常原因が解消されると自動で出力が復帰します。遠隔地に設置される機器など、停止自体が問題となる用途では自動復帰モードが求められるケースが多いです。
最後に、ACアダプターが使用される環境条件を確認します。これは実際の選定で見落とされやすいポイントですが、当社の製造経験から言えば、環境条件に起因するトラブルは非常に多く、ここを怠ると後から製品変更が必要になるケースも少なくありません。
動作温度範囲
一般的なACアダプターの動作温度範囲は0℃〜+40℃程度ですが、工場内や屋外設備、車載機器などでは-20℃〜+60℃といった広温度範囲が要求されます。当社では広温度範囲対応ACアダプター(-20℃〜+60℃)をラインナップしています。
防水・防塵性
屋外や水回りで使用される機器には、防水性能を備えたACアダプターが不可欠です。IP規格(例:IP67)に適合した防水ACアダプターを選定してください。
雷サージ耐性
屋外設置の通信機器やセキュリティ機器では、落雷による雷サージが電源を通じて機器に侵入し、故障を引き起こすリスクがあります。当社では雷サージ耐性を2倍に強化したカスタム電源の開発実績があり、屋外通信機器メーカー様で「落雷による機器故障ゼロ」を実現しました。
寿命設計(ディレーティング)
ACアダプターの寿命は、内部の電解コンデンサの寿命に大きく左右されます。アレニウスの法則により、周囲温度が10℃上がると寿命はおよそ半減します。長期間の連続稼働が求められる産業用途では、定格に十分な余裕を持たせること(ディレーティング)と、使用温度環境を考慮した機種選定が重要です。ACアダプターの寿命と信頼性の考え方は「MTBFと期待寿命の違いとは?」で詳しく解説しています。
【用途別】ACアダプター選定のポイント
ACアダプターは用途によって求められる性能・仕様が大きく異なります。当社が35年以上の設計・製造で蓄積してきた知見をもとに、代表的な用途ごとの選定ポイントをご紹介します。
24時間連続稼働、高温環境での安定動作、雷サージ耐性が求められます。動作温度範囲の広さ、長寿命設計(電解コンデンサの高温耐久仕様)、十分なディレーティングが選定の鍵です。当社では防水×広温度対応のカスタム事例もあります。
IEC 60601-1に基づく漏れ電流規制、BF/CF分類への対応が必須です。一般のACアダプターでは医療規格を満たせないため、医療用ACアダプターを必ず選定してください。医療機器向けの詳しい解説はこちらの開発事例もご参照ください。
小型・省電力でありながら24時間の安定稼働が必要です。低ノイズ設計による通信品質の確保、EMC適合、長期供給の安定性が重要な選定基準となります。IoT機器向けACアダプターのラインナップもご覧ください。
定電流制御、長時間連続運転での信頼性、設置場所に応じた防水・防塵性能が求められます。調光機能との相性やフリッカー(ちらつき)対策も重要なポイントです。LED照明用ACアダプターの製品一覧はこちらです。
低リップルノイズ設計が最重要です。スイッチング方式は構造上ノイズが発生しやすいため、ノイズフィルタの強化や回路設計でのノイズ低減が施された製品を選んでください。音響機器向けACアダプターはノイズ対策を強化した設計です。
最新トレンドから見るACアダプターの選び方(2026年版)
ACアダプターの技術は進化を続けています。2025〜2026年において、選定時に知っておくべき3つの最新トレンドをご紹介します。
GaN(窒化ガリウム)技術による小型・高効率化
従来のシリコンMOSFETに代わり、GaN(窒化ガリウム)素子を採用したACアダプターが登場しています。GaNは高周波でのスイッチングが可能なため、トランスをさらに小型化でき、同じ出力でも従来比約70%のサイズダウンを実現します。当社ではGaN FET搭載 小型ACアダプターをラインナップしており、持ち運び用途や省スペースが求められる機器に最適です。
USB PD(パワーデリバリー)の進化
USB Power Deliveryは最大240W(Extended Power Range)までの電力供給を標準化する規格です。ノートPC、モバイル機器、さらには産業機器でもUSB PD対応のACアダプターの採用が広がっています。USB PD対応ACアダプターを選ぶ際は、対応するPDOプロファイル(電圧/電流の組み合わせ)が機器の要件を満たしているか確認してください。USB PDの詳細解説はこちらです。
EU ErP Lot7規制の厳格化
EUの外部電源に対するエネルギー効率規制「ErP Lot7」は2025年4月に改定され、待機電力と動作効率の基準がさらに厳しくなりました。EU向けに製品を輸出する場合は、最新のErP Lot7基準に適合したACアダプターを選定する必要があります。当社の標準製品は最新のErP Lot7基準に対応済みです。
ACアダプター選定チェックリスト
8つの選定ステップを一覧にまとめました。ACアダプター選定時にお手元でご確認ください。
| ✓ | 確認項目 | 確認内容 |
|---|---|---|
| ☐ | 出力電圧 | 機器の定格入力電圧と一致しているか |
| ☐ | 出力電流 | 機器の定格電流以上か(30%以上の余裕を推奨) |
| ☐ | DCプラグ形状 | 外径・内径・プラグ長が一致しているか |
| ☐ | 極性 | センタープラス/マイナスが機器と一致しているか |
| ☐ | ピーク電流 | モーター駆動機器の場合、ピーク電流に対応しているか |
| ☐ | 安全規格 | 用途(医療・ICT等)と仕向地の規格に適合しているか |
| ☐ | 効率規制 | DoE Level VI、ErP Lot7等の効率基準に適合しているか |
| ☐ | EMC・ノイズ | IEC61000シリーズに適合し、機器の要求ノイズレベルを満たすか |
| ☐ | 保護機能 | OVP・OCP・SCP・OTPが搭載されているか |
| ☐ | 動作温度範囲 | 使用環境の温度条件を満たしているか |
| ☐ | 防水・防塵 | 屋外・水回りの場合、IP規格に対応しているか |
| ☐ | 雷サージ | 屋外設置の場合、雷サージ対策が施されているか |
| ☐ | 寿命・信頼性 | ディレーティングを考慮し、要求寿命を満たせるか |
よくある質問(FAQ)
まとめ|ACアダプター選びで迷ったら
ACアダプターの選定は、電圧・電流・プラグという基本の3要素だけでなく、ピーク電流、安全規格、EMC、保護機能、使用環境まで含めた総合的な判断が必要です。特に産業機器や医療機器では、選定ミスがシステム全体の安全性と稼働率に直結します。
ユニファイブは1989年の創業以来、ACアダプターとスイッチング電源を専門に自社で設計・製造してきたメーカーです。標準品で5W〜300Wまでの幅広い製品をラインナップするとともに、お客様の要件に合わせたセミカスタム・フルカスタムにも対応しています。営業スタッフ全員が電源コンサルタントとして、お客様の課題に最適なACアダプターをご提案いたします。
ACアダプター選びでお困りですか?
電圧・電流・安全規格の選定から、特殊環境への対応、カスタマイズのご相談まで、
ACアダプターのことなら何でもお気軽にお問い合わせください。